Search the whole station
High Current Surface-Mounted-Plug Type B
Durable and reliable: Features a high-strength, flame-retardant engineering plastic casing, resistant to high temperatures, corrosion, and aging, ensuring a long lifespan.
Efficient conductivity: Uses full-current brass conductors compliant with national standards, providing excellent conductivity.
Stable connection: Offers good impact resistance, easy plug-in and unplugging, and a stable connection.
Brand: DTCEE
Model: Industrial Plug DT75251B/DT75256B/DT75172B/DT75173B/DT75389B/DT75398B
Number of Pluggable Times: 5000 (times)
Ambient Temperature: -30~50(C)
Rated Current: 160A/200A,250A/400A
Protection Level: IP67
Pole: 4pin/5pin
Product Parameter

| Description | Ampere | Poles | Type |
| Type B Bracket fixed, top incoming, with cable buckle.Signal control cable can be led in from the top or shell respectively if it is necessary. | 200 | 4 | DT75251B |
| 200 | 5 | DT75256B | |
| 250 | 4 | DT75172B | |
| 250 | 5 | DT75173B | |
| 400 | 4 | DT75389B | |
| IP67 | 400 | 5 | DT75398B |
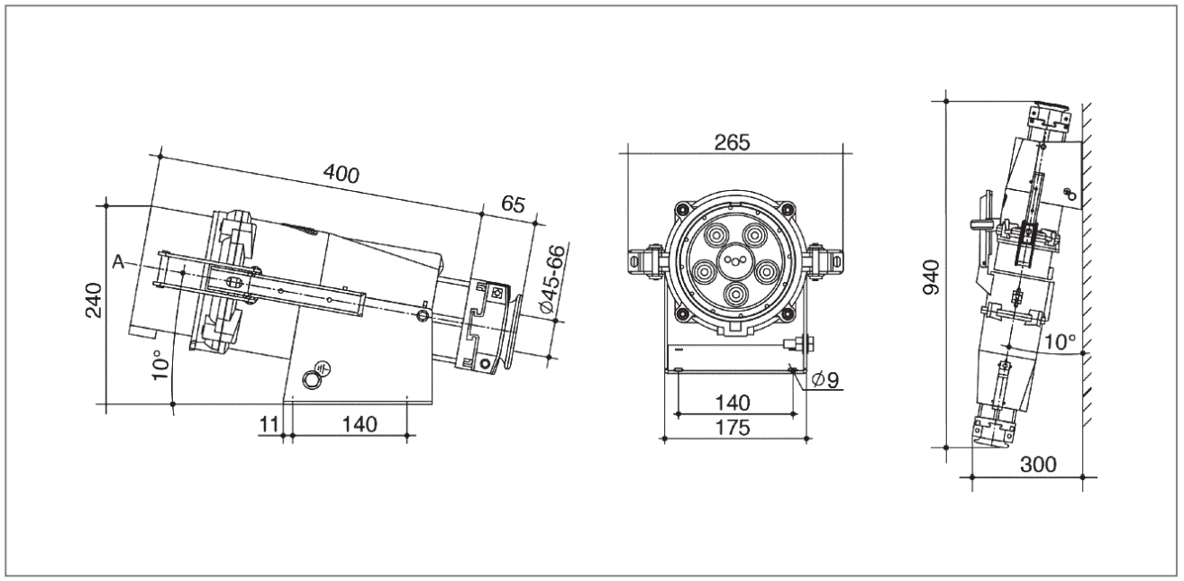
Dimension (mm)


Product Advantages
Key Differentiators

Development and Innovation
It supports voltages up to 1000V and an ultra-
wide current range from 16A to 420A.

Superior Plugging
Soft-contact tech: Low force, stable
connection, minimal heat.

Development and Innovation
Robust All-Environment Protection (Flame-retardant and corrosion-resistant; remains reliable in extreme conditions.)
Instructions For Use


Compatibility Check
Before use, verify the rated voltage (color-coded) and current. Ensure the plug and socket parameters match perfectly to avoid overloading.


Proper Insertion & Extraction
Before use, verify the rated voltage (color-coded) and current. Ensure the plug and socket parameters match perfectly to avoid overloading.


Environmental Sealing
Before use, verify the rated voltage (color-coded) and current. Ensure the plug and socket parameters match perfectly to avoid overloading.


Regular Maintenance
Before use, verify the rated voltage (color-coded) and current. Ensure the plug and socket parameters match perfectly to avoid overloading.
MATERIALS & CRAFTSMANSHIP
Protection Level
IP44
DT113 DT123 Waterproof Industrial Socket IP44
The function of industrial sockets is not limited to providing power connections, it also plays a key role in ensuring the stable operation of equipment.
Protection Level
IP44
DTN0131 DTN0231 CE Certified IP44 Industrial Plugs
Industrial plugs and sockets, also known as waterproof plugs & sockets, IEC 309 connectors, or European standard plugs/sockets, are critical components in industrial power distribution.
Protection Level
IP44
Waterproof and dustproof WALL MOUNTED SOCKET DTN1131 DTN1231
Industrial plug and socket are a convenient power management solution for homes, offices and commercial locations.



Professional Service Guarantee
01
Pre-sales service
Our expert team provides precise selection guidance to ensure product parameters perfectly match your application environment.


02
After-sales service
We strictly honor our quality commitments, providing comprehensive return, replacement, and repair services for any manufacturing defects.
Professional Service Guarantee

01
Pre-sales service
Our expert team provides precise selection guidance to ensure product parameters perfectly match your application environment.

02
After-sales service
We strictly honor our quality commitments, providing comprehensive return, replacement, and repair services for any manufacturing defects.
Craftsmanship & Technology
Explore our manufacturing standards and custom capabilities. We are dedicated to providing connectivity solutions that exceed expectations.

We strictly adhere to IEC 60309-1/-2 and EN 60309 standards. All products are CE certified, ensuring full interchangeability and safety with major global brands.
Yes, we provide both OEM and ODM customization services for industrial dustproof plugs.
We support customization in housing color, logo marking, packaging, protection level (dustproof design), cable specifications, and structural details, based on your application requirements. Our engineering team can also assist with ODM development, from design optimization to tooling and mass production, ensuring compliance with relevant international standards.
Please contact us with your project details to discuss customization options, MOQ, and lead time.
The stability of our industrial dustproof plugs in extreme environments is ensured through a combination of robust design, high-quality materials, and strict testing procedures.
Our products are made from high-strength, flame-retardant and impact-resistant materials, with reinforced dustproof sealing structures to maintain reliable performance in high dust, humidity, vibration, and temperature-fluctuating conditions. All key components undergo mechanical, environmental, and durability testing, including ingress protection verification, to ensure long-term stability and safety in harsh industrial applications.
This comprehensive quality control process guarantees consistent performance and dependable operation even in demanding environments.
Our industrial dustproof plugs are designed to cover a wide range of current ratings.
The maximum current capacity can reach up to 125A, depending on the model and configuration.
Yes, we do offer heavy-duty products specifically engineered for demanding industrial applications. These products feature reinforced housings, high-conductivity contacts, enhanced dustproof sealing, and high mechanical strength, ensuring reliable performance under high current loads, frequent connection cycles, and harsh operating environments.
Please let us know your required current rating, voltage level, and application conditions, and we will recommend the most suitable heavy-duty solution.
Our standard lead time depends on the order type and quantity.
Once order details are finalized, we will provide a confirmed and reliable delivery schedule to ensure on-time shipment.
